威达机械
集研发、设计、生产、销售一站式服务
One stop service for research and development, design, production, and sales 在线咨询 >
quick response
Free customization
Worry free service
PRODUCT DETAILS
Product details introduction:
The ZSG series linear vibrating screen is a new and efficient screening equipment, which has the characteristics of high efficiency, low wear, low noise, long service life, pollution prevention, economic convenience, energy saving and beauty. It is widely used for screening large, medium and small particle materials in industries such as mining, metallurgy, coal, chemical, thermal power, and building materials. Especially widely used in the metallurgical industry, it is a screening equipment commonly used in blast furnace tanks, coking plants, and mineral processing plants. The machine adopts a new energy-saving vibration motor or exciter as the vibration source, supported and isolated by rubber springs, and has the advantages of large processing capacity, high screening efficiency, convenient screen replacement, and simple installation and maintenance.
Working principle and structural characteristics:
The ZSG series linear vibrating screen uses a vibration motor or a common motor to externally drive the exciter, causing the screen body to undergo periodic reciprocating vibration in the direction of the excitation force, and the animal material to move in a parabolic motion along a straight line on the screen surface, thereby achieving the purpose of screening.
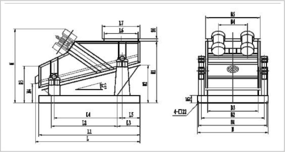
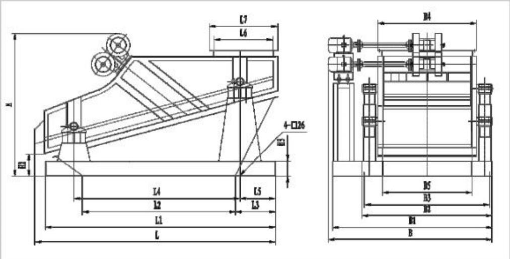
The ZSG series linear vibrating screen consists of a vibration source, screen body, screen mesh, vibration reduction device, and bottom support. The side plate of the screen machine is made of high-quality steel plate, and the side plate is connected to the crossbeam and exciter base with high-strength bolts or ring groove rivets. The structure is reasonable, sturdy and durable.
Schematic diagram of vibration motor:

Schematic diagram of vibration exciter:

Technical parameters (equipped with vibration motor)
| model | Screening particle size | processing capacity | Equipped with vibration motor | voltageV | Power |
| ZSGB-1020 | ≤150 | 10-180 | YZO-17-4 | 380V | 0.75*2 |
| ZSGB-1224 | ≤250 | 10-200 | YZO-20-6 | 2.0*2 | |
| ZSGB-1030 | 15-250 | YZO-20-6 | 2.0*2 | ||
| ZSGB-1230 | 20-300 | YZO-30-6 | 2.5*2 | ||
| ZSGB-1530 | 20-350 | YZO-50-6 | 3.7*2 | ||
| ZSGB-1020 | ≤150 | 10-180 | YZO-20-6 | 2.0*2 | |
| ZSGB-1224 | ≤250 | 10-200 | YZO-30-6 | 2.5*2 | |
| ZSGB-1030 | 15-250 | YZO-30-6 | 2.5*2 |
Our advantages
Related products


